SẢN PHẨM CAO SU & POLYURETHANE


Ống nhún silicone được gắn trong mâm dập của máy dập thuốc dạng viên nén. 

Mỗi mâm dập có khoảng 30 đầu dập thuốc, mâm có dạng hình tròn, hoạt động theo kiểu chuyển động quây tròn. 

Ống nhún silicone được gắn vào đầu dập thuốc với mục đích để chắn bụi thuốc bám vào bên trong đầu dập gây hư hỏng thiết bị. 


Ong nhun silicone nganh duoc pham  


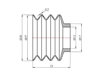
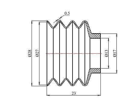
Yêu cầu kỹ thuật của ống nhún silicone: 


Đầu nhỏ của ống nhún phải ôm chặt vào đầu dập thuốc. 

Bề dày ống nhún phải có độ mỏng nhất định, thường bề dày 0.5mm (đòi hỏi bề dày tiết diện phải đều nhau). 

Ban ve ky thuat ong nhun silicone


Nếu bề dày quá lớn, khi dập thuốc làm cho ống nhún bị đẩy bung ra ngoài (vì khe hở khi dập thuốc thường trong khoảng 5mm). 


Vật liệu sử dụng làm loại ống nhún này thường sử dụng 

Silicone thực phẩm kháng xé rách, độ cứng khoảng 50 – 60 Shore A, trong suốt. 


Hình trên là một sản phẩm cao su kỹ thuật: "ống nhún silicone trong ngành dược phẩm" được chụp tại công ty Cao Su Việt.


(ntt-vlab-caosuviet)




Share |



maillot cyclisme pas cher